熱釋電紅外探測器
火焰探測器
單通道
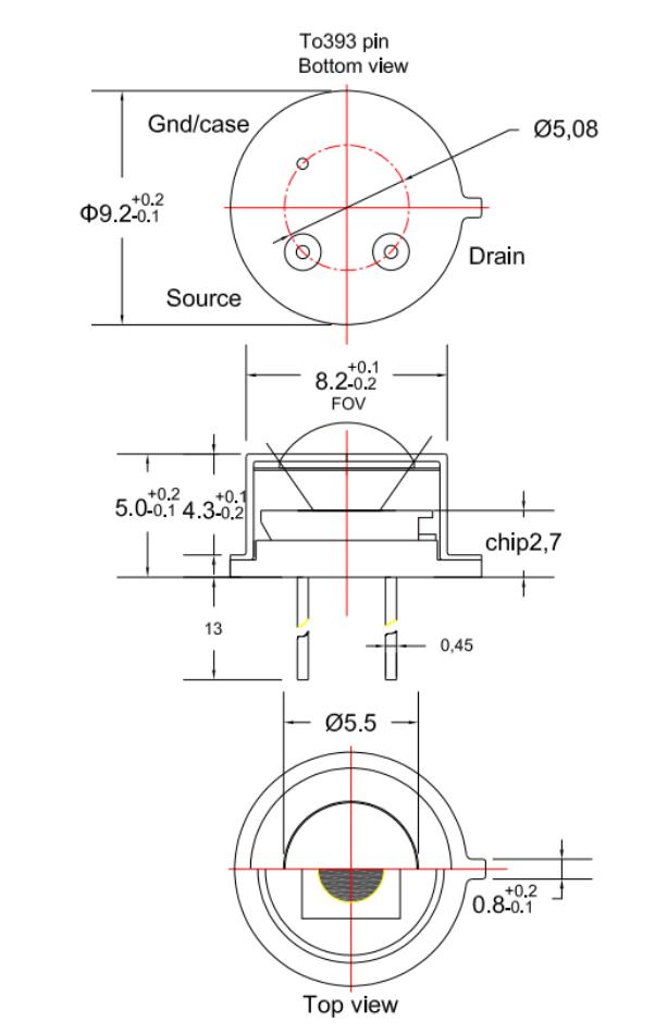
TO-39封裝
電壓模式
1、性能參數
技術指標 符號 典型值 單位 窗口尺寸 Ф5.5 mm 敏感區域尺寸 As Ф2.5 mm 電時間常數 τE 6.0 S 熱時間常數 τT 200 MS 源極直流工作電壓 Vs 0.4—0.7 V 工作電壓 Vd 2-15 V 視場角 FOV >110 ° 輸出噪聲電壓 Vn <170 nVrms/Hz1/2 電壓響應率(無窗口){500K,10Hz,25℃} Rv >500 V/W 比探測率(無窗口){500K,10Hz,BW 1Hz,25℃} D >4×108 cm Hz1/2/W 工作溫度范圍 -40—+80 ℃
2、典型濾光片參數,其他參數可根據客戶具體要求定制
| 中心波長CWL | 4400nm | 3800nm | 5300nm |
| 半高寬HPB | 450nm | 140nm | 180nm |
| 探測器型號 Detector type | LVF001-I-01 | LVF001-H-01 | LVF001-D-01 |
產品尺寸圖
